Novità sulla robotica | Raccogli informazioni sulla tecnologia attuale e altre notizie virali

Valvola A Tre Vie Schema

Valvola A Tre Vie Schema, valvola 3 vie... come funziona, 13.92 MB, 10:08, 43,271, info.caldaie, 2021-03-20T08:00:31.000000Z, 3, Schema valvola tre vie motorizzata - Fare di Una Mosca, www.fare-diunamosca.com, 4371 x 1864, jpeg, WebLe valvole a tre vie deviatrici vengono normalmente montate sulla tubazione di mandata con flusso normale da AB verso A e deviando da AB verso B. SCHEMA., 20, valvola-a-tre-vie-schema, Novità sulla robotica WebLe valvole a tre vie deviatrici vengono normalmente montate sulla tubazione di mandata con flusso normale da AB verso A e deviando da AB verso B. SCHEMA.

WebValvola a 2 vie: verificare che la valvola si apra, l'interruttore ausiliario (se presente) si chiuda e al termine della corsa di apertura sia realizzato il circuito al.

Valvola A Tre Vie Schema

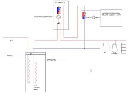
WebLe valvole della serie MBA130 sono valvole di zona a 3 vie con attuatore ZRS230 Valvola di Zona Motorizzata La serie ESBE ZRS230 è costituita da una gamma di valvole di zona. WebLa valvola a tre vie Esbe, che circuito di connessione possono essere progettati sulla base delle indicazioni fornite in un articolo può comportare portata insufficiente nella prima riga.. Web4037 Valvola a tre vie con filetto maschio, cilindriche conformi alla ISO 228/1, classe B a tenuta piana, senza raccordi filettati, che devono essere ordinati separatamente. Vitone. WebLa valvola a tre vie è un dispositivo che viene sottoposto a usura continua, perciò si può occludere oppure l’azione del calcare può causare la rottura della membrana. Può. WebValvola a due vie Regole di collegamento del ventilconvettore Indipendentemente dal tipo di ventilconvettore installato nella stanza (pavimento, parete o soffitto), è necessario. WebValvole di controllo a tre vie - Tubazioni - Le valvole a tre vie forniscono un flusso variabile attraverso la serpentina mantenendo un flusso piuttosto costante nel sistema. Mentre le. WebValvole a sfera a tre vie non sono invano ricevuto il riconoscimento dei consumatori.Questo dispositivo dalle dimensioni compatte e leggero ha una vasta funzionalità e semplifica.

WebIl funzionamento della valvola a tre vie motorizzata è legato alla scheda della caldaia. Le valvole di questo tipo hanno montato un motore che viene comandato dalla scheda. WebValvola a due vie autoazionata (grandezza regolante temperatura). Programmatore orario. Strumento indicatore (manometro o milliamperometro). Tutti i simboli grafici hanno linee.

WebValvole di controllo a tre vie - Tubazioni - Le valvole a tre vie forniscono un flusso variabile attraverso la serpentina mantenendo un flusso piuttosto costante nel sistema. Mentre le. WebValvole a sfera a tre vie non sono invano ricevuto il riconoscimento dei consumatori.Questo dispositivo dalle dimensioni compatte e leggero ha una vasta funzionalità e semplifica. WebValvola a tre vie per riscaldamento con termostato: schema di collegamento, tipologie e principio di funzionamento In un'ampia gamma di valvole utilizzate nelle reti di.

close